Мотор-редуктор МР2
Назначение планетарных мотор редукторов МР2
Планетарные мотор-редукторы серии МР2 предназначены для продолжительного режима работы по ГОСТ 183-74 в качестве приводов различных аппаратов химической промышленности, рассчитаны на длительную эксплуатацию (не менее 40000 часов) в следующих условиях:
· режим работы непрерывный нереверсивный или реверсивный с периодическими остановками;
· нагрузка – постоянная и переменная, одного направления и реверсивная.
· вращение тихоходного вала в любую сторону без предпочтительности;
· температура окружающей среды от -400С до +400С;
· окружающая среда – неагрессивная с содержанием непроводящей пыли до 10 мг/м3 и относительной влажностью до 80% при температуре +200С – для мотор-редукторов с закрытыми обдуваемыми электродвигателями;
В зависимости от числа ступеней планетарной передачи мотор-редукторы подразделяются на одноступенчатые-МР1, двухступенчатые-МР2, трехступенчатые-МР3 и имеют следующее исполнение:
· Ф1В - вертикальное, выходным валом вниз с цилиндрическим концом выходного вала;
· Ф2В - горизонтальное с цилиндрическим концом выходного вала;
· Ф1П - вертикальне, вихідним валом вниз, кінець вихідного валу виконаний у вигляді фланцевої напівмуфти з вбудованим зубчастим компенсатором;
· Щ - на лапах.
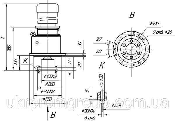
Габаритні і приєднувальні розміри мотор-редуктора МР2 315
- Виконання Ф1П

- Виконання Ф1В

- Виконання Ф2В
Умовне позначення мотор-редуктора планетарного МР3 при замовленняе -
МР - тип мотор-редуктора;
3 - кількість ступенів;
500 - ділильний діаметр найбільшого колеса з внутрішнім зубом, мм.;
16 - виконання двигуна;
20 - число обертів вихідного вала в хв.;
Ф1В - виконання з монтажу (Ф1В - вертикальнное, вихідним валом вниз, з циліндричним кінцем вихідного вала;
Ф2В - горизонтальне, з циліндричним кінцем вихідного вала;
Щ - на лапах;
У3 - кліматичне виконання.



















